“The exceptionally low capacitance – 0.4pF – of these diodes means they can also be used to protect higher speed applications deploying 100BASE-T1 or 1000BASE-T1 in-vehicle networks while still maintaining signal integrity,” according to the company.
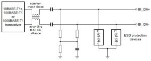
The device is bidirectional, and differential lines require two of these diodes, one for each line.
For a single line, one of the protection diodes can handle up to 18kV according to IEC 61000-4-2, and up to 15kV with 1,000 discharges as per Open Alliance needs, continued Nexperia.
There is a choice of packaging:
- PESD1ETH10L-Q, in a 1 x 0.6 x 0.48mm DFN1006-2
- PESD1ETH10LS-Q, in a 1 x 0.6 x 0.37mm DFN1006BD-2 with side-wettable flanks for automated optical inspection
Qualified for AEC-Q101, these bidirectional diodes have snap-back characteristics.

They typically start to conduct at ±140V (100V minimum), and then conduct hard enough to pull the transient down to a minimum of ±32V (25°C ambient, 100ns pulse).
With more current, the voltage across the device increases due to the 1Ω internal dynamic resistance (20A, 100ns, 25°C). The non-repetitive 100ns pulses described here are square transmission line pulses to ANSI / ESD STM5.5.1-2008.
Rated maximums peaks for 8/20μs pulses are 94W and 2.3A. Power handling drops linearly from 25°C to zero at the maximum junction temperature of 150°C.
The company is aiming these diodes at 12, 24 and 48V systems – stated reverse stand-off is ±75V.
“These diodes not only enable backward compatibility with legacy standards like LIN and CAN but also support modern in-vehicle networks, bridging the gap between current and future automotive technologies,” said the company, explaining: “Interfacing older connectivity standards like CAN and LIN to higher speed automotive Ethernet networks introduces unnecessary complexity, so replacing them with 10BASE-T1S makes sense. This approach allows automotive Ethernet, a single network architecture, to serve the speed requirements of almost every automotive application.”
See the diodes at Automotive Ethernet Congress (17-18 Feb, Munich) which Nexperia is attending.
Product pages:
PESD1ETH10L-Q
side-wettable PESD1ETH10LS-Q
Electronics Weekly