60W wireless power receiver doubles as 5W transmitter

Renesas has announced a 60W wireless induction power receiver IC, compliant with WPC 1.2.4 and compatible with WPC 1.3+.

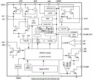
Renesas-P9418-block

Called P9418, it can also deliver up to 5W as a wireless power transmitter.

Power is transferred through an external LC coupling tank.


As a receiver, the device has a all-n-channel synchronous full bridge rectifier to convert the incoming ac power signal from the LC tank pick-up to dc, as well as a control circuit that modulates loading to send message packets back to the transmitter. LDOs are included to regulate output.


Renesas-P9418-appAs a wireless power transmitter, P9418 has an on-chip full/half bridge inverter, a pulse-width modulator and a modulator/demodulator for communication. The on-chip MCU (32bit Arm Cortex-M0) produces the signal needed to drive the L-C tank, and handles faults.

The processor can support proprietary charging protocols for high-power applications.

Programmable non-volatile memory allows control firmware and device functions to be updated, and wired communication is through 400kHz Supports I2C and GPIOs. Over-temperature and voltage protection is included.

Packaging is a 7 x 10 ball (0.4mm pitch) 2.8 x 4.2 x 0.5mm 70-WLCSP.

P9418 builds on the earlier P9415 wireless power receiver and provides an easy upgrade path for existing customers. The new P9418 also delivers advanced telemetry and .

The product age is here

Steve Bush

Steve Bush is the long-standing technology editor for Electronics Weekly, covering electronics developments for more than 25 years. He has a particular interest in the Power and Embedded areas of the industry. He also writes for the Engineer In Wonderland blog, covering 3D printing, CNC machines and miscellaneous other engineering matters.

Leave a Reply

Your email address will not be published. Required fields are marked *

*