Sinewave driver for quiet motors needs no sensors

Toshiba has announced a three-phase brushless dc motor driver with sensor-less sinewave control.

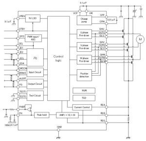
Toshiba TC78B011FTG sinusoidal motor driver

The IC, called TC78B011FTG, is a ‘pre-driver’ in the company’s nomenclature because it needs six external mosfets wired as a three-phase bridge to switch motor current.

Operation is from 5.5 to 27V, and the same IC can implement either closed-loop or open-loop speed control, commanded through a PWM input, an analogue voltage input or its I2C interface – the latter also handles various settings within the device.


Packaging is an 0.8mm high 5 x 5mm QFN36.


Sinusoidal drive results in quieter motor running and less vibration compared with square-wave drive.

Although the motor currents are sinusoidal, the six external mosfets are either on or off, switched by pulses  which the IC modulates with sinusoidal timing. Pulse frequency can be set to one of four values between 23 and 187kHz.

Control parameters can be from an external host microcontroller or from internal non-volatile memory. After power-on, if the stand-by pin is disabled, the IC reads from its memory and is ready to function autonomously. Closed-loop operation is available with or without a host MCU.

In-built dc excitation and forced-commutation patterns initiate desired rotation regardless of whether the motor was stopped or rotating in the wrong direction when a start command was received, and soft-start is available to reduce input current.

Feedback for speed control is though sensing back-emf during timed periods when all the drive mosfets are briefly off. Current feedback is also implemented, using a single sense resistor in series with the bridge 0V connection.

This is a comprehensive motor drive chip that includes: a choice of gate drive currents, adjustable speed curve, stand-by mode, a direction pin, a brake input pin, an alert output, thermal shut-down, under-voltage lock-out, a charge-pump for the upper mosfets (with fault detection), output current limit, over-current detection and motor lock protection.

Applications are foreseen with server fans, pumps, blowers and suction motors for cordless and robotic vacuum cleaners.

The IC is very similar to the company’s trapezoid drive TC78B009FTG, for which a Click development board is available.

Product pages

Sinusoidal TC78B011FTG

Trapezoid TC78B009FTG

Steve Bush

Steve Bush is the long-standing technology editor for Electronics Weekly, covering electronics developments for more than 25 years. He has a particular interest in the Power and Embedded areas of the industry. He also writes for the Engineer In Wonderland blog, covering 3D printing, CNC machines and miscellaneous other engineering matters.

Leave a Reply

Your email address will not be published. Required fields are marked *

*