Texas Instruments has unveiled industry's first 12bit 1Gsample/s ADC, the ADS5400. A buffered front-end simplifies external circuit design, and fast sampling means up to four can be used together for 4Gsample/s and 2GHz bandwidth.
Power
Power supply makers target LED PSUs
AC-DC power supply makers are introducing constant-current models for lighting manufacturers moving into the LED illumination market.
Dialog has record Q3
The power management specialist had net profit in Q309 of $8.8m, representing 14.8% of revenue compared to $3.3m in Q209. Total cash increased in Q309 by $2.9m to stand at $46.4m.
Stealth wind turbines can’t be seen in Norfolk
The five year project has developed ‘Stealth Turbine’ technology that can significantly reduce the size of the radar signature made by individual turbines to the point where they can be effectively ‘factored out’ of air traffic control and air defence systems
Linear Tech targets energy-harvesting, says Maier
“We will market our first energy-harvesting device powered by a TEG (thermo-electric generator) later this year,” said Lothar Maier, CEO of Linear Technology
How to power processor and LED systems
For integrated power supply chips a key question is system partitioning, meaning to what extent other, non power supply related functionality will be integrated into the power supply chip
How to optimise MCU power efficiency
The seamless operation of a self-managed integrated boost regulator within an MCU not only avoids most of the cost and space issues related to an external regulator, it can enable the MCU to provide greater draining efficiency than is possible using an external DC-DC converter
LEM opens metering technology plant in China
LEM has opened a manufacturing site and offices in China at the Linhe Industrial Zone in Beijing
Audium digital audio power amplifier side-steps low efficiency problem
Bristol-based fabless chip firm Audium Semiconductor has revealed a digital audio power amplifier architecture that side-steps the traditional Class D problem of low efficiency at low output levels.
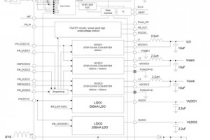
Wolfson introduces power chip for ARM-based portable devices
Called WM8320, it includes four synchronous DC-DC converters 11 LDOs, a back-up battery charger, and programmable rail sequencing on power-up and shut-down.
Electronics Weekly