Home » News » Products » Power Supplies (page 5)

Power Supplies

The latest Electronics Weekly product news on power supplies.

1,200V SiC mosfet power modules

SemiQ SOT227 module package

SemiQ has created a line of 1,200V SiC mosfet SOT-227 modules with Rds(on) at 7.4. 15 or 34mΩ. There are six models, half have ‘GCMX’ part numbers and just have a mosfet, while the others, GCMS types, including a reverse-parallel Schottky diode. The modules “are tested beyond 1,400V and target battery chargers, photovoltaic inverters, server power supplies and energy storage ...

1,000W 1/16th brick dc-dc converter

TDK i7A high power brick dcdc converter

TDK has introduced higher-power versions of its i7 range of 1/16 brick dc-dc converters, culminating in the 1,000W I7A24080A033V. This converter measures ~34 x 37 x 20mm tall and can deliver up to 80A at 3.3 to 18V so long as the power limit is not passed. The input is nominally 24Vdc, and can range across 18 – 32V. There ...

GaN mains PSUs cleared for medical and industrial

XP Power XPE301 GaN PSUs

XP Power has launched a host of GaN-based plug-in ac-dc power supplies rated between 65W and 140W. The basic types are: PGW65 wall-mount 65W (0.37W/cm3 – 6.06W/in3) PGW100 wall-mount 100W (0.53W/cm3 – 8.72W/in3) PGD100 corded 100W (0.48W/cm3 – 7.93W/in3) PGD140 corded 140W (0.55W/cm3 – 9.0W/in3) They “are designed to conform to the Power Delivery protocol and are ideal for industrial ...

Automotive small motor driver has field oriented control

Melexis MLX81350 automotove small motor driver

Melexis has put three processor cores into its very-application-specific motor driver for automotive air vent flaps. MLX81350 is the company’s fourth-generation of automotive motor driver with LIN communication, delivering up to 5W (0.5A) per motor. For a seemingly simple application, this IC packs a lot of technology. Firstly, it is built on a high-voltage SOI (silicon-on-insulator) process, its is designed ...

More power from EAS lithium iron phosphate cells

Asahi Kasei EAS Batteries high power lithium ion cell

German manufacturer EAS Batteries has licenced acetonitrile electrolyte technology from Asahi Kasei for its lithium iron phosphate cells. “The electrolyte’s high ionic conductivity contributes to reduced internal cell resistance and enhanced rate capability, even under demanding temperature conditions,” according to EAS. “The product [is] scheduled to be released no later than March 2026.” Under a project called Headline, the two ...

Controllers for small automotive motors, with cyber-securtity

Infineon TLE994x TLE995x motor controller

Infineon has created a pair of motor controllers for small automotive electric motors. “The three-phase TLE995x for brushless dc motors is ideal for pumps and fans in thermal management systems, while the two-phase TLE994x for brushed dc motors targets comfort functions such as electric seats and power windows,” according to the company. “All devices comply with ISO 26262 ASIL B ...

600V mosfets from Toshiba

Toshiba TKxxxZ60Z1 power mosfets

Toshiba has introduced six 600V power mosfets in its four-pin TO-247-4L(X) package, which has a notch between drain and source pins to increase creepage distance. A kelvin source connection is included to improve gate drive. The parts, numbered TKxxxZ60Z1, are made using the company’s DTMOSVI process, said to reduce on-resistance per unit area by approximately 13%, and reduce on-resistance x ...

Onsemi announces vertical GaN power transitors

Onsemi vertical GaN image

Onsemi has announced vertical GaN power devices, which it said are with early access customers in 700V and 1,200V form. “Developed and manufactured at Onsemi’s fab in Syracuse, New York, Onsemi holds over 130 global patents covering a range of fundamental process, device design, manufacturing and systems innovations for vertical GaN technology,” according to the company. “Compared to commercially available ...

800V data centres: Navitas down-converts 35kV

800V data centre architecture Navitas

Navitas has revealed its proposals towards Nvidia’s ‘AI factory’ data centre concept in which power is distributed at 800Vdc, revealing both grid-voltage and 800V power converters. With power consumption estimated at 1MW per rack, the front-end of the data centre will need to receive three-phase grid power at ~14kV or ~35kV. Eschewing a multi-tonne grid-frequency transformer to produce three-phase 480Vac ...

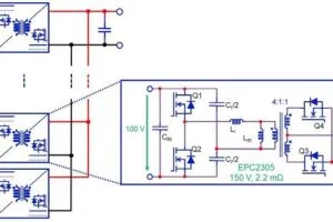
800V data centres: EPC

EPC 800V data centre PSU web

EPC has revealed a 6kW 800-to-12.5V dc-dc converter with a novel (input-series output-parallel) topology, as part of Nvidia’s 800Vdc data centre power distribution programme. The GaN hemt based proof-of-concept is 8mm tall and occupies <5,000mm2. “GaN is an essential technology for the 800Vdc ecosystem,” claimed EPC CEO Alex Lidow. While Power Integrations proposes a single half-bridge pair of 1,250V GaN ...