Home » News » Business » Distribution (page 20)

Distribution

Accurate LCR meter has extremely wide ranges

Saelig Sciospec LCR-1 impedance analyser 609

Sciospec LCR-1 is a PC-based single-channel LCR meter that offers 2-, 3- and 4-port measurements across 100mHz to 500kHz, with 1mΩ – 1TΩ, 10fF – 1kF and 1nH – 1TH capability. Options include upper frequency expansion to 1 or 10MHz, and it comes with PC-based software for automated measurements and analysis, which displays up to four parameters at the same ...

Farnell signs Taoglas

IMG_2908-300x200.png

Farnell has announced a distribution agreement with Taoglas, a provider of antennas and IoT components. This partnership will help Farnell offer customers an expanded RF and wireless product offering. Farnell and their global brands, Newark and element14 are focused on simplifying the customer design process with small quantities for prototyping to production, 1–2-day shipping, and dedicated sets of product knowledge. ...

Supercaps for automotive memory and RTC back-up

Rutronik Kemet supercap series_fmu

Kemet has introduced three automotive grade supercapacitors. “Optimised design and materials enable a service life of up to 1,000 hours at 85°C or 105°C, and the components meet the special requirements of the 85°C, 85% relative humidity, 1,000 hour test [‘THB test’] for the automotive industry,” according to distributor Rutronik, which is stocking the parts. “Thanks to their characteristics, the ...

FPGA motor drive starter kit for system-on-module

AMD KD240 motor drive development kit

AMD has introduced a motor driver starter kit for its Kria K24 system-on-module – which is built around a Zynq UltraScale+ IC and measures 60 x 42 x 11mm. The kit, called KD240 drives starter kit, includes the module, a carrier card and a heat sink. Included is 2Gbyte (2chan x 256Mbit x 16bit/chan) of LPDDR4, and a 512Mbit QSPI ...

Opto-isolated mosfet gate driver is automotive qualified

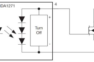
Rutronik Vishay VOMDA1271 opto gate driver block

Vishay has introduced a photovoltaic mosfet gate driver qualified to AEC-Q102 for automotive use. Called VOMDA1271, “the component is available in a SOP-4 housing. The driver is the only one of its kind in this package size with an isolation voltage of 3.750 V [sic] and a typical open-circuit output voltage of 8.5V”, according to component distributor Rutronik, which is ...

DigiKey records Fireside Chat on Strategic Procurement for 2024

PR_300x250_Procurement_Webinar-300x200.jpg

DigiKey has hosted a webinar on procurement and purchasing, entitled “Strategic Procurement for 2024: A Live Fireside Chat”. The virtual event features procurement experts from DigiKey discussing successful procurement strategies and real-world solutions. It promises “a more strategic and successful approach to procurement and purchasing”. “As procurement professionals prepare for 2024, no one knows what the future holds, but if ...

Avnet shares insights – optimism for supply chain tinged with uncertainty

Avnet-Warehouse1-300x200.jpg

The 2023 Avnet Insights survey reports that nearly three quarters (73%) of engineers who responded from around the world say the component shortages experienced recently in the supply chain have improved year on year year on year. This is an improvement from last year, when 59% said the component shortages had worsened year-on-year. A large majority (66%) said there was ...

DigiKey launches annual DigiWish Giveaway on social media

English-LP-Imagery-300x200.png

DigiKey has begun its annual DigiWish Giveaway programme – the social media giveaway offers engineers the chance to win DigiKey products, and it runs from the 1st to the 24th of December. To enter, you must select one in-stock DigiKey product (valued up to $100) and then comment or post your “wish” on Facebook, Instagram or Twitter using the hashtag ...

ECSN: cautious optimism for 2024

ECSN-news-Growth-by-Quarter-2017-Q3-2023-with-2024-Forecast-300x200.jpg

Last year, Aubrey Dunford, the ECSN (Electronic Components Supply Network) market analyst declared the UK electronics components market had returned to normality. At this year’s Electronics Components Forecast, he reclassified its status as a new, new normal. At the end of 2022, ECSN suppliers were preparing for 2023 with strong order books and confidence in customer demand and an expectation ...

Telonic Instruments introduces Siglent’s latest scope

SDS7000A-Telonic-300x200.jpg

Distributor, Telonic Instruments has introduced the SDS7000A range of oscilloscopes. The Siglent range is designed for acquisition and analysis of high frequency complex signals for telecomms, high speed digital and wireless technologies development. The SAS7000A oscilloscopes offer 12-bit vertical resolution that not only enables the precise imaging of high-frequency signals, but also offers fine differentiation in vertical detection, said Telonic. ...