
There’s a range of whitepapers and webinars available on ElectronicsWeekly.com, the UK’s leading website for electronics professionals. Here, in one place, is a listing of all the recent resources available via the site.
From whitepapers on IoT and 5G technologies to those covering Zigbee-based switches and Custom SoCs, there are also competitions giving you a chance to win some cutting edge electronics boards and devices.
Signup to our industry e-updates »
Accelerate Innovation with Smarter Test & Measurement SolutionsA webinar by Red Pitaya to explore scalable, cost-effective test solutions for engineers, researchers, and system integrators. It will feature the Red Pitaya Gen 2. |
Nordic Semiconductor e-book – Extending battery life for IoT devices and battery-free possibilities in Cellular IoTThis insightful e-book researches the realm of energy efficiency in low power wireless technologies… |
Rochester webinar on re-designs caused by semiconductor obsolescenceA webinar by Rochester Electronics about avoiding re-designs caused by premature semiconductor obsolescence. |
Whitepaper: NCAB – Maximise your PCB design for production and performanceThis whitepaper from NCAB. It considers how best to maximise the design of your PCB for both manufacture and best performance…. |
Farnell – An introduction to Deep Learning, Machine Learning and Artificial IntelligenceEssential viewing for chip manufacturers and OEMs who are implementing these chip designs into their supply chain, as well as white goods manufacturers, wifi modules and more… |
Tempo guide to PCBA manufacturing complexityTempo is offering a free guide to PCBA complexity, aimed at electronic and hardware engineers in the aerospace… |
Nexperia: Tough at the topThe automotive industry stands on the cusp of technological revolution. Modern vehicles are becoming more electric and connected, representing a significant shift towards smarter and more sustainable mobility solutions. |
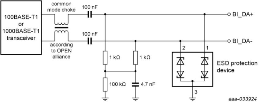
Nexperia: OPEN Alliance – Get the right ESD protection placementThe sheer volume of automotive electronics in today’s cars is dramatically driving up the transmission requirements and data payload on automotive networks. |
Nexperia: Enabling a Major Leap in Power Density: Trench Schottky technology makes for a compact, efficient power supplyPower supplies are increasingly expected to reach heightened levels of efficiency, while still being as compact as possible, affordable and of course reliable and safe. |
Nexperia: Shrinking hotswaps footprint with enhanced SOAAs billions of people around the world adopt more flexible lifestyles, stable connections to the cloud via Wi-Fi, 4G and 5G are vital. |
“In our most recent AIoT audiobook we discuss the true context of AI and IoT, its advanced data analytics capabilities and methods, how the future of AI is shaping up, and the tools and platforms to get you started with your next AI application.”… |
Farnell Audiobook: Are you ready for the AIoT era?“Hear the true context of AI and IoT, its advanced data analytics capabilities and methods, how the future of AI is shaping up, and the tools and platforms to get you started with your next AI application…” |
Xilinx podcast – Responding to platform-based embedded designHear from Chetan Khona about how Xilinx and the semi industry is responding to customer demands and the trends of platform-based embedded design… |
Whitepaper: Considerations for Safe Load Switch Operation – The OFF to ON TransitionIntegrated ecoSWITCH products deliver an area reducing solution that includes… |
Webinar: Manufacturing Intelligence, Test Data Analysis and Collaboration in the Electronics IndustryLearn from Virinco AS how to quickly collect any and all production test data across your supply chain, and to better use it to improve the operational health of your company…. |
Webinar: The latest in XRF coatings analysis equipment for micro-scale semiconductor packagingJoin Matt Kreiner, of Hitachi High-Tech, to see how you can be sure that you are getting the accuracy and precision you need at a sub-micron level… |
Whitepaper: ON Semi – Creating an Energy Harvesting Zigbee Green Power Switch for Smart Homes and BuildingsEven if Zigbee Green Power protocol is natively created for… |
Whitepaper: How custom SoCs add value in IoT and industry 4.0This whitepaper discusses how Custom SoCs help the development of IoT products to meet the requirements of a… |
Whitepaper: ON-Semi USB-C Programmable Power Supplies Satisfy 5G Smartphone Fast Charging DemandsWith 5G technology the telecommunications industry is taking significant strides in advancing wireless… |
Free thermal simulation toolPICLS Lite is an incredibly simple to use free thermal simulation tool for electronic circuit boards… |
Robust Ethernet Physical Layer Solutions for the Connected Factory of TomorrowHow robust Industrial Ethernet Physical Layer Technology can solve the challenges of reliable, time-critical comms… |
Eurotech whitepaper on HPEC Data Logging for Level 5 Autonomous DrivingAimed at senior managers and engineers working in the embedded, industrial, Oil & Gas and automotive industries… |
Viezo guide to Vibration Energy HarvestingHow vibration energy harvesting is helping the industrial IoT field and how Viezo can help you to… |
Want first-pass success in your high-speed digital design?In a world of increasing power distribution network complexity, relying on a traditional datasheet approach to power integrity… |
Electronics Weekly






















