Home » News » Design » Communications (page 2)

Communications

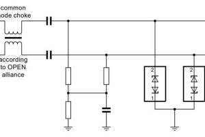
Protection diodes for 10BASE-T1S automotive single-pair Ethernet

Nexperia 10BASE-T1S protection diode cct

Nexperia is claiming a first for an ESD protection diodes compliant to Open Alliance requirements for 10BASE-T1S automotive Ethernet – a member of the ‘single-pair Ethernet’ family. “The exceptionally low capacitance – 0.4pF – of these diodes means they can also be used to protect higher speed applications deploying 100BASE-T1 or 1000BASE-T1 in-vehicle networks while still maintaining signal integrity,” according ...

Multi-band antennas for GNSS

IMG_0555-300x200.jpeg

Taoglas, the San Diego antenna specialist, has brought out active, multi-band GNSS antennas. Levity Series’ AHP24510 (L1/L2/L-Band) and AHP54510 (L1/L5/L-Band) directional patch antennas are optimized for GPS, Galileo, GLONASS, and BeiDou satellite constellations. Triangulation across several satellites provides faster and more accurate acquisition and lock onto signals, particularly in built-up areas. The L-Band capability means Levity Series antennas also work ...

NeoCortec opens wireless mesh protocol and software stack to licensing

NeoCortec self managed NeoMesh network

Wireless mesh network module maker NeoCortec, is to offering licenses for its NeoMesh wireless mesh networking protocol and software stack. “Our primary focus remains the manufacturing and sale of our low-power wireless sensor modules,” said NeoCortec CEO Thomas Steen Halkier. “However, by introducing a licensing model for our software stack, customers can implement our software in their designs to gain ...

Taoglas launches antenna design and integration tools

IMG_0189-300x200.jpeg

Taoglas, the antenna and IoT component specialist, has brought out AntennaXpert, a suite of digital tools to streamline, simplify, and customise antenna design and integration. Available on the Taoglas website, the toolset includes Taoglas Antenna Integrator, Antenna Builder, and Cable Builder. The Taoglas Antenna Integrator—enables users to preview their embedded antennas, including multiple or MIMO antenna systems’ performance in the ...

Forefront RF receives funding to progress to next stage in RF

Ronald Wilting, CEO Forefront RF

Cambridge fabless semiconductor company, Forefront RF, has secured £16m series A funding. Octopus Ventures and Cambridge Innovation Capital have joined existing backers BGF and Foresight Group to provide investment to prepare for the launch of its first product, the FFM51010, for the cellular enabled smartwatch market. Established in 2020, the startup’s patented Foretune technology is based on founder Dr Leo ...

Industry unites to drive photonic chip applications

PIC-challenge-Final_compressed-300x200.png

PhotonDelta, the European hub for photonics, will launch a worldwide competition for new applications for photonics chips at PIC Summit 2024 (Eindhoven 15 October). Partners include imec, LioniX International, Smart Photonics, Phix Photonics Assembly, Ephiphan and Bright Photonics and engineering community platform Werolver. Engineers are invited to use photonics ICs in designs to tackle challenges in, for example, healthcare, AI, ...

24Gbit/s UCIe chiplet-to-chiplet IP demonstrated at 3nm

AresCORE-Block-Diagram-300x200.png

Alphawave Semi has unveiled 3nm UCIe (universal chiplet interconnect express) die-to-die communication intellectual property, which has been demonstrated with TSMC’s chip-on-wafer-on-substrate (CoWoS) packaging. “This complete PHY and controller subsystem, developed with TSMC [using] TSMC’s CoWoS 2.5D silicon-interposer-based packaging, delivers a bandwidth density of 8Tbit/s/mm,” said Alphawave. It supports “PCIe, CXL, AXI-4, AXI-S, CXS, and CHI, features live per-lane health monitoring, ...

A-PHY v2.0 released for automotive comms

MIPI A-PHY MASS

The MIPI Alliance has released version 2.0 of its A-PHY asymmetric SerDes (serialiser-deserialiser physical-layer interface, doubling its down-link speed to 32Gbit/s, and increasing its top up-link speed eight-fold to 1.6Gbit/s. “These enhancements are designed to support the higher bandwidth requirements for zonal and other emerging architectures in next-generation vehicles,” according to the MIPI Alliance. “To aid implementation, no changes were ...

IoT in the outer Hebrides

Ravenspoint and Loch Erisort

Part its ‘IoT Evolve’ programme, CENSIS teamed up with consultancy FarrPoint to monitor humidity, temperature and visitor numbers in the Ravenspoint Centre Museum (right) using a LoRaWAN network – adding to an existing network which covers the museum’s storage facility. Visitor tracking sensors are now mooted for the on-site café. “The system will automate data collection, a task previously performed ...

Digitally-tuned capacitors for 6G RF front-ends

Nanusens mems digital capacitor

Nanusens has demonstrated a mems digitally-tuneable capacitor for 5G and 6G RF front-ends, that is compatible with CMOS IC processing and can be integrated with circuitry. The Q-factor is above 100 at 1GHz, and the four-bit capacitor has a minimum capacitance of 450fF (30fF/capacitor) with them all off and tunes up to ~1pF – a capacitance ratio of 2.2 which ...