Home » News (page 20)

News

The latest news, developments and announcements from around the electronics industry.

RS buys BPX

IMG_1826-300x200.webp

RS Group has bought BPX Group, a UK- and Ireland-based specialist distributor of industrial automation and control  products, for an enterprise value (cash-free debt-free) of £27m and a deferred earn-out of up to £3m payable subject to achievement of agreed FY 2026 EBITDA performance targets. The consideration represents an acquisition multiple of around 10-times reported EBIT on a 12-month basis ...

ASML looking at expanding into packaging

IMG_1820-300x200.webp

ASML is looking at expanding from front-end litho into packaging, according to CTO Marco Pieters (pictured). “”We look at what are potential directions the industry could take, and what would it require in terms of packaging, bonding, etc “ Pieters told Reuters, “we’re actually researching to what extent we can participate in it, or what we can add to that ...

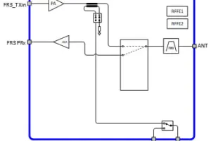
MWC: Skyworks and Mediatek reference design for front-end PA for 6G

IMG_1821-300x200.webp

Skyworks and Mediatek have produced a reference design of a 6G FR3 frequency range RF front-end (RFFE) power amplifier. The design of the SKYR60002 advanced 6G FR3 LNA and power amplifier module with integrated filters is designed to support the new 6.425GHz to > 7 GHz spectrum supported in the latest 3GPP standard. The device supports the high linearity, wide ...

Imec PDKs for packaging sub-2nm chiplets

IMG_1819-300x200.webp

Imec’s  NanoIC pilot line has brought out two PDKs for sub-2nm processes: a fine-pitch redistribution layer (RDL) and die-to-wafer (D2W) hybrid bonding PDK. These early-access PDKs bring advanced packaging capabilities within reach of universities, start‑ups, and industry innovators. By enabling chiplets to be interconnected at high density, advanced packaging provides the foundation for the next generation of high‑performance computing, AI ...

Toray powder delivers smooth, strong 3D printed parts

IMG_1798-300x200.webp

Toray Industries is sampling  Toraypearl  polyamide (PA) 12, a truly spherical PA12 powder widely compatible with powder bed fusion (PBF)-type 3D printers. Leveraging Toray’s proprietary polymer particle engineering technology, the new material enables both surface smoothness and impact strength in 3D-printed parts. PBF-type 3D printing is widely adopted in industrial applications due to its ability to efficiently create parts with ...

Advantages of GaN-on-Si HEMT for 5G mm-wave range

IMG_1824-300x200.webp

Researchers at Soitec and Nanyang Technological University have reported 60%+ power-added efficiency (PAE), for moderately scaled GaN-on-Si  HEMTs at 30GHz operation. The devices also perform with state-of-the-art noise figures down 1.1dB. “These results suggest that moderate scaling could deliver competitive technology, when combined with optimised epitaxial structure and process,” say the researchers. The researchers see the low-voltage (3–6V) RF devices ...

S8AS2 smart power supply integrates power, protection, and diagnostics

s8as2_fcard_prod-300x200.webp

Omron’s S8AS2 compact smart power supply combines DC power supply, electronic circuit protection, and real-time monitoring in one panel-mountable unit. Reducing the number of components required in the control cabinet will simplify panel design and wiring, highlights the company. Factory automation and industrial control applications are the main target for the system. S8AS2 features UL Class 2 output compliant, the ...

Rohm licenses TSMC GaN process technology

IMG_1691-300x200.webp

Rohm is licensing TSMC’s GaN process technology and installing it at its Hamamatsu fab. Rohm has been running a GaN process at Hamamatsu for four years, initially with a 150V process and, since 2023, with a 650V process. Rohm intends to have the TSMC process up and running in 2027. In 2024 Rohm and TSMC agreed to collaborate on automotive ...

Jedec updates Universal Flash Storage for faster edge AI

cExpress-R8-v2-300x200.webp

Jedec has officially updated the Universal Flash Storage (UFS) standard with UFS 5.0. It aims to increase storage performance and efficiency for edge device AI applications. The aim is improved performance through faster data access. For example, UFS 5.0 enables sequential read and write speeds of up to 10.8GB/s. Note, however, the changes maintain compatibility with UFS 4.x hardware. The ...

OpenAI completes $110bn funding round

AI-datacentre-300x200.webp

OpenAI has raised $110bn from Amazon, Nvidia and Softbank. Amazon put in $50bn and Nvidia and SoftBank put up $30bn each. The funding round values OpenAI at $730bn. “These partnerships expand our global reach, deepen our infrastructure and strengthen our balance sheet so we can bring frontier AI to more people, more businesses and more communities worldwide,” says OpenAI. “We ...